
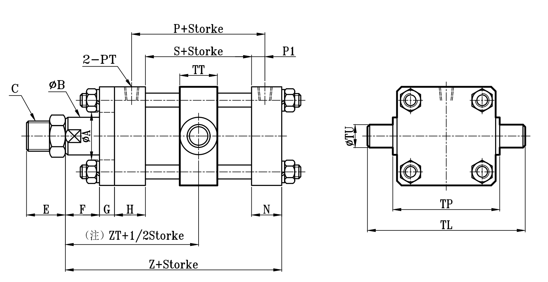
HOB:HOB+TC TYPE  | 方型重型油壓缸TC板尺寸圖 14Mpa Hydraulic Cylinders TC Dimensional Features  | 
![]()  | |
HOD:HOD+TC TYPE

| HOB-HOD TYPE | TC TYPE | ||||||||||||||||||
| 缸徑 BORE  | ΦA(chǔ) | ΦB | C | E | F | G | H | N | P | P1 | PT | S | Z | ZD | ZT | ΦTU | TL | TP | TT | 
| Φ32 | 31 | 18 | M16xP1.5 | 30 | 15 | 14 | 28 | 25 | 71 | 10.5 | 1/4" | 50 | 132 | 164 | 82 | 16 | 92 | 60 | 18 | 
| Φ40 | 38 | 25 | M22xP1.5 | 35 | 20 | 14 | 28 | 25 | 71 | 10.5 | 3/8" | 50 | 137 | 174 | 87 | 20 | 115 | 75 | 22 | 
| Φ50 | 44 | 30 | M26xP1.5 | 40 | 20 | 16 | 33 | 28 | 80 | 12.5 | 3/8" | 55 | 152 | 193 | 96.5 | 25 | 140 | 90 | 27 | 
| Φ63 | 49 | 35 | M30xP1.5 | 40 | 20 | 16 | 33 | 28 | 80 | 12.5 | 3/8" | 55 | 152 | 193 | 96.5 | 30 | 160 | 100 | 32 | 
| Φ80 | 54 | 40 | M30xP1.5 M36xP1.5 可選 | 45 | 25 | 18 | 38 | 33 | 91 | 15.5 | 1/2" | 60 | 174 | 222 | 111 | 35 | 190 | 120 | 37 | 
| Φ100 | 64 | 50 | M40xP2.0 | 50 | 25 | 20 | 38 | 33 | 111 | 15.5 | 1/2" | 80 | 196 | 246 | 123 | 40 | 220 | 140 | 42 | 
| Φ125 | 74 | 60 | M50xP2.0 | 60 | 30 | 24 | 43 | 38 | 116 | 18 | 3/4" | 80 | 215 | 274 | 137 | 50 | 277 | 177 | 52 | 
| Φ150 | 97 | 80 | M70xP2.0 | 80 | 30 | 29 | 48 | 43 | 130 | 20 | 3/4" | 90 | 240 | 304 | 152 | 60 | 330 | 210 | 62 | 
| Φ160 | 97 | 80 | M70xP2.0 | 80 | 30 | 29 | 48 | 43 | 130 | 20 | 3/4" | 90 | 240 | 304 | 152 | 60 | 340 | 220 | 62 | 
| Φ180 | 117 | 100 | M90xP2.0 | 100 | 35 | 34 | 58 | 48 | 146 | 23 | 1" | 100 | 275 | 354 | 177 | 75 | 400 | 250 | 77 | 
| Φ200 | 117 | 100 | M90xP2.0 | 100 | 35 | 39 | 58 | 53 | 146 | 23 | 1" | 100 | 285 | 364 | 182 | 75 | 425 | 275 | 77 | 
| Φ220 | 150 | 125 | M100xP3.0 | 110 | 35 | 44 | 68 | 58 | 166 | 28 | 1 1/4" | 110 | 315 | 404 | 202 | 90 | 480 | 300 | 92 | 
| Φ250 | 150 | 125 | M100xP3.0 | 110 | 35 | 49 | 68 | 63 | 166 | 28 | 1 1/4" | 110 | 325 | 414 | 207 | 90 | 510 | 330 | 92 | 
注:ZT尺寸可按要求定做
訂購:h0-tc