

簡(jiǎn)易裝配便能達(dá)到良好的加速效果。
          安裝空間小,優(yōu)化模具結(jié)構(gòu)。
          Simple assembly vill be able to achieve a good speedup.
          Small installction space,optimization of mold structure.

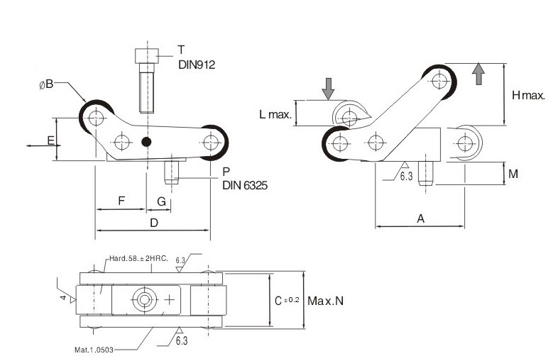
| Type | A | B | C | D | E | F | G | H  max.  | L  max.  | M | N | P | T | Max. Force  | 
| EP.200813 | 20 | 8 | 13.2 | 25.8 | 9.4 | 11.4 | 6 | 13.6 | 5.5 | 5 | 15 | 2.5x10 | M3x12 | 75kg. | 
| EP.251016 | 25 | 10 | 16 | 32.3 | 11.8 | 14.3 | 7 | 17 | 6.8 | 6 | 18.5 | 3x12 | M4x16 | 125kg. | 
| EP.371522 | 37.5 | 15 | 22 | 48.5 | 17.7 | 21.5 | 10.5 | 25.5 | 10.2 | 8 | 25 | 4x16 | M6x25 | 250kg. | 
| EP.502030 | 50 | 20 | 30 | 64.6 | 23.6 | 28.6 | 14 | 34 | 13.6 | 10 | 34 | 5x20 | M8x30 | 500kg. | 
訂購(gòu):188-模板加速器EP