

| M材質 | Hardness 硬度  | 
| SCM435 | HRC22°~28° | 
| HV900°-1100° | 
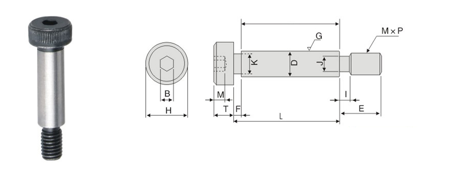
D -0 -0.02  | H | E | T | B | M | K | J | F | I | M x P | 
| 6 | 10 | 9.75 | 4.5 | 3 | 2.4 | 5.62 | 3.7 | 1.85 | 2.4 | 5xP0.8 | 
| 8 | 13 | 11.25 | 5.5 | 4 | 3.3 | 7.62 | 4.43 | 1.85 | 2.6 | 6xP1.0 | 
| 10 | 16 | 13.25 | 7.0 | 5 | 4.1 | 9.62 | 6.06 | 1.85 | 3.0 | 8xP1.25 | 
| 12 | 18 | 16.25 | 8.0 | 6 | 4.9 | 11.62 | 7.72 | 1.85 | 3.0 | 10xP1.5 | 
| 16 | 24 | 18.25 | 10.0 | 8 | 6.2 | 15.62 | 9.38 | 1.85 | 4.0 | 12xP1.75 | 
| Catalog No. | L | |||||||||||||||||||||||
| Type | D | 12 | 16 | 20 | 25 | 30 | 35 | 40 | 45 | 50 | 55 | 60 | 65 | 70 | 75 | 80 | 85 | 90 | 100 | 110 | 120 | 130 | 140 | 150 | 
| JH035 | 6 | 10 | 10 | 10 | 10 | 12 | 12 | 12 | 12 | 12 | 15 | |||||||||||||
| 8 | 12 | 12 | 12 | 12 | 14 | 14 | 14 | 14 | 14 | 16 | 16 | 16 | 18 | 18 | 18 | 18 | 18 | |||||||
| 10 | 15 | 15 | 15 | 15 | 15 | 17 | 17 | 17 | 17 | 17 | 19 | 19 | 19 | 19 | 22 | 22 | ||||||||
| 12 | 20 | 20 | 20 | 20 | 20 | 25 | 25 | 25 | 25 | 25 | 28 | 28 | 28 | 28 | 32 | 32 | ||||||||
| 16 | 32 | 32 | 32 | 35 | 35 | 35 | 38 | 38 | 38 | 38 | 43 | 48 | 53 | 60 | ||||||||||
訂購:70-等高螺絲 JH035